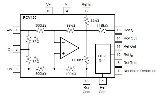
Product Summary
The RCV420JP is a precision current-loop receiver designed to convert a 4–20mA input signal into a 0–5V output signal. As a monolithic circuit, it offers high reliability at low cost. The circuit consists of a premium grade operational amplifier, an on-chip precision resistor network, and a precision 10V reference. The RCV420JP features 0.1% overall conversion accuracy, 86dB CMR, and ±40V common-mode input range. Applications of the RCV420JP include process control, industrial control, factory automation, data acquisition, scada, RTUs, ESD, machine monitoring.
Parametrics
RCV420JP absolute maximum ratings: (1)Supply: ±22V; (2)Input Current, Continuous: 40mA; (3)Input Current Momentary, 0.1s: 250mA, 1% Duty Cycle; (4)Common-Mode Input Voltage, Continuous: ±40V; (5)Lead Temperature (soldering, 10s): +300℃.
Features
RCV420JP features: (1)complete 4-20ma to 0-5v conversion; (2)internal sense resistors; (3)precision 10v reference; (4)built-in level-shifting; (5)±40v common-mode input range; (6)0.1% overall conversion accuracy; (7)high noise immunity: 86db cmr.
Diagrams

| Image | Part No | Mfg | Description | ![]() |
Pricing (USD) |
Quantity | ||||||||||||
|---|---|---|---|---|---|---|---|---|---|---|---|---|---|---|---|---|---|---|
![]() |
![]() RCV420JP |
![]() Texas Instruments |
![]() Current Sense Amplifiers Precision 4-20mA Crnt Loop Rcvr |
![]() Data Sheet |
![]()
|
|
||||||||||||
![]() |
![]() RCV420JPG4 |
![]() Texas Instruments |
![]() Current Sense Amplifiers Precision 4-20mA Crnt Loop Rcvr |
![]() Data Sheet |
![]()
|
|
||||||||||||
(China (Mainland))









