Product Summary
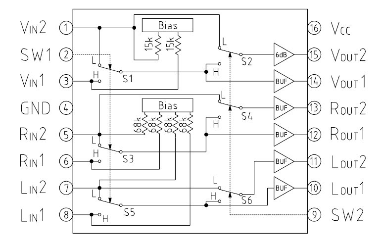
The MM1120 is a 2-input, 2-output 3-circuit high performance video switch IC for video/audio signal switching. It is ideal for use in TV/BS switching.
Parametrics
MM1120 absolute maximum ratings: (1)Storage temperature TSTG: -40~+125 ℃; (2)Operating temperature TOPR: -20~+75 ℃; (3)Power supply voltage VCC: max. 15 V; (4)Allowable loss Pd: 500 mW.
Features
MM1120 features: (1)1 video signal circuit, 2 audio signal circuits; (2)1 built-in 75Ω driver circuit; (3)Current consumption 17mA typ.; (4)Operating power supply voltage range 9~12V; (5)Frequency response 10MHz (VOUT1), 7MHz (VOUT2); (6)Crosstalk Video signal circuit : 60dB (at 4.43MHz); Audio signal circuit : 80dB (at 1kHz).
Diagrams

| Image | Part No | Mfg | Description | ![]() |
Pricing (USD) |
Quantity | ||||
|---|---|---|---|---|---|---|---|---|---|---|
![]() |
![]() MM1120 |
![]() Other |
![]() |
![]() Data Sheet |
![]() Negotiable |
|
||||
| Image | Part No | Mfg | Description | ![]() |
Pricing (USD) |
Quantity | ||||
![]() |
![]() MM1118 |
![]() Other |
![]() |
![]() Data Sheet |
![]() Negotiable |
|
||||
![]() |
![]() MM1120 |
![]() Other |
![]() |
![]() Data Sheet |
![]() Negotiable |
|
||||
![]() |
![]() MM1124 |
![]() Other |
![]() |
![]() Data Sheet |
![]() Negotiable |
|
||||
![]() |
![]() MM1130 |
![]() Other |
![]() |
![]() Data Sheet |
![]() Negotiable |
|
||||
![]() |
![]() MM1142 |
![]() Other |
![]() |
![]() Data Sheet |
![]() Negotiable |
|
||||
![]() |
![]() MM1145 |
![]() Other |
![]() |
![]() Data Sheet |
![]() Negotiable |
|
||||
(China (Mainland))









